注意:访问本站需要Cookie和JavaScript支持!请设置您的浏览器! 打开购物车 查看留言付款方式联系我们
初中电子 单片机教材一 单片机教材二
搜索上次看见的商品或文章:
商品名、介绍 文章名、内容
首页 电子入门 学单片机 免费资源 下载中心 商品列表 象棋在线 在线绘图 加盟五一 加入收藏 设为首页
本站推荐:
为功放增加声控散热风扇
文章长度[458] 加入时间[2006/7/1] 更新时间[2026/4/5 4:11:29] 级别[3] [评论] [收藏]

2003年,第7期,类别:音响技术


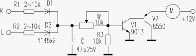
  笔者用LM1875装一台BTL功放,由于受空间限制,不能使用大体积散热器,故加了一只散热风扇。但逐渐发现,对风扇的噪声也不能容忍,尤其在小音量听音或音乐间歇时,风扇发出的“呼呼”声却很大。
  为此笔者将其改为声控风扇,使其在静态或小音量放音时,风扇不转,待功放输出一定幅度的信号电压时,风扇电机才转动,从而有效解决了风扇的噪声问题。其电路如下图所示,R1、R2阻值视功放输出功率大小可在2k~10kΩ之间选择,C的作用除使风扇运转平稳外也起到延时运转作用,调节W时可改变控制灵敏度。

                                    云南  吴家华



1、 本站不保证以上观点正确,就算是本站原创作品,本站也不保证内容正确。
2、如果您拥有本文版权,并且不想在本站转载,请书面通知本站立即删除并且向您公开道歉! 以上可能是本站收集或者转载的文章,本站可能没有文章中的元件或产品,如果您需要类似的商品请 点这里查看商品列表!
本站协议 | 版权信息 |  关于我们 |  本站地图 |  营业执照 |  发票说明 |  付款方式 |  联系方式
深圳市宝安区西乡五壹电子商行——粤ICP备16073394号-1;地址:深圳西乡河西四坊183号;邮编:518102
E-mail:51dz$163.com($改为@);Tel:(0755)27947428
工作时间:9:30-12:00和13:30-17:30和18:30-20:30,无人接听时可以再打手机13537585389