注意:访问本站需要Cookie和JavaScript支持!请设置您的浏览器! 打开购物车 查看留言付款方式联系我们
初中电子 单片机教材一 单片机教材二
搜索上次看见的商品或文章:
商品名、介绍 文章名、内容
首页 电子入门 学单片机 免费资源 下载中心 商品列表 象棋在线 在线绘图 加盟五一 加入收藏 设为首页
本站推荐:
盲目试验 损失超百元
文章长度[5839] 加入时间[2006/7/1] 更新时间[2026/2/1 9:12:31] 级别[3] [评论] [收藏]


2003年,第6期,类别:彩电维修


    “在行管c极串联保险管和电流表”检修方法给我的教训
  接修一台三无故障的索尼KV-2965彩电,经检查行输出管c、e极短路,电阻R340烧坏。根据经验判断,很可能是行输出变压器内部高压打火造成。更换行管及R340,屏幕有光栅出现,也能收到电视信号,但是屏幕上有高压打火干扰现象。依经验,此时只要更换行输出变压器,该机就可以修复(整机修复后证明笔者判断完全正确),但此时我却犯了不该犯的错误。认为更换行管及R340后有光栅,行输出变压器不一定损坏,于是按照贵报2002年第6期第三版闵先生“在行管c极串联保险管和电流表”测量行输出电流之法做试验,令人遗憾的是,我的试验结果很惨,代价不小,开关电源厚膜块STR-5741及PS564(保险管2.7A)等元件“命丧黄泉”,令我后悔莫及。“盲目轻信试验,损失不小超百元”,拿钱买教训。如果没有闵先生的那篇文章,我这个初级专业学历的人,是绝不会做这个试验的。因此,希望贵报以后发表此类文章一定要慎重,以免误导读者,造成无谓经济损失。另外要提及的是,辽宁高福永先生的文章(见《电子报》2002年第43期第三版)笔者认为分析是正确的,建议是诚恳的,对我很有启发。体现了贵报一贯的“广开言路,采纳百家”的办报宗旨。尽管有经济损失,有教训,有深深的后悔,我仍然无比信赖曾在维修技术上给我以巨大帮助的《电子报》。

                                    江苏  张明葆
在行管c极串联保险管和电流表”的检修方法可取
2003年,第6期,类别:彩电维修


  《电子报》2002年第43期第三版高福永先生的文章对“在行管c极串联保险管和电流表”检修彩电的方法予以否定,其理由有二:一是持续通电时间太短,无法对电路检修;二是容易产生故障假象,使检修人员陷入困境。
  本人提出这种方法(见1999年第10期二版《再谈行管击穿的原因及检修》)的初衷,正是为了不长时间给行管通电,从而尽量避免损坏行管或电源开关管。大家知道,行输出电路损坏(如行输出变压器内部短路、行偏转线圈严重短路等)引起行管电流过大,在来不及断电的情况下而烧坏行管,或行管、行逆程电容软击穿,在通电后来不及断电的情况下过流烧毁电源开关管的例子,屡见不鲜。
  那么“在行管c极串联保险和电流表”检修法究竟可取还是不可取呢?若可取,该方法是如何保护行管或电源管,而又不引起检修者的误判的呢?请看下面介绍:
  1.若彩电出现上述的两种严重短路情况,则通过行管c极电流是正常值的3~4倍(即0.8~1.2A,直流值,以21英寸机为例),即一通电保险丝立即熔化(管内熔丝中间一段已熔化成细铜珠粘在管内壁玻璃上,多数情况玻璃管内壁还有白色烟雾)而不是熔断!这就等于告诉检修者,原行管损坏是行电路存在严重短路所致!这种情况行管并不会损坏。
  2.若机器故障已被排除,这时电流表会显示正常电流值。1~3分钟已足够你读清示数,之后保险管熔断无关紧要。
  3.若机器存在过压而击穿行管如何判断?上述《再谈……》文中曾提到,应“在开关电源+B输出端对地并联一只功率为1W,稳压值比+B高约5V的稳压二极管”。若电源输出过压,则稳压二极管会立即击穿,并不危及行管,同时保险管也不会立即熔断。若稳压二极管正常,但通电瞬间保险丝立即熔化,且行管再次击穿,则说明可能是行逆程电容开路,致使行逆程脉冲升高而将行管击穿。
  4.若上述情况是通电几分钟后保险丝才熔化,且行管损坏并发烫,则损坏行管的原因是同行激励不足所致。
  5.若行电路存在过流,比如行偏转线圈匝间轻微短路、行频偏低、行输出变压器的负载过重等,这时通电也是立即熔断保险管,但只是“熔断”,而不是“熔化”!这时可判定损坏行管原因是机器存在过流。可不接保险管(因不严重过流不会立即损坏行管),直接将电流表串联在行管c极回路中,通电观察电流大小,然后再逐一断开怀疑负载,若断开某一电路,电流表示数锐减,则表明该路有问题。
  综上所述,“在行管c极串联保险管和电流表”检修法可取,其意义在于它能最大限度地保护行管或电源管,又能较好地判别损坏行管的各种原因。所谓误判只是对此方法的使用并未深刻领会。
  这里有人可能会问,将电流表和保险管串接在+B输出端不是更好吧?笔者以为这也有弊端。一是+B输出端往往还接有其他负载(比如TA二片机心的行振荡电路、行推动级电源就是取自+B电压降压所得),电流表读数不一定是行管的真实电流;二是万一行电路真有问题而熔断保险管,这时行(场)振荡电路也失电而停止工作,你还不知道是行振荡(或行推动)电路出问题,还是行输出电路有故障?
                                                                               武汉  王绍华


行管c极串电流表测值不准的原因分析
2003年,第6期,类别:彩电维修


  笔者一直关注《电子报》上关于在行管c极串联保险管和电流表检修的讨论,赞同高福永先生关于该法不可取的观点(见《电子报》2002年第43期),但该文在未能弄清楚闵祖石先生遇到的在行管测电流大一倍(见《电子报》2002年第6期、第20期)原因的情况下,就从保险管工作条件上进行分析,结果误入歧途。
  笔者通过实验和电路分析认为,由于行管工作在开关状态,其c极电流为脉冲电流,在c极串入直流电流表时,测得的电流值实际上是平均值或者说是总电流中的直流成分。下面将论证,在不同的测量位置,其值可能是不同的,这就是闵先生测得的行电流不准的原因。还将证明,在c极串入的保险管容易熔断,是c极电流的有效值比行电流大得更多的缘故。
  下面是本人实验的情况。
  由于以前有过调试晶体管高频和脉冲电路时,在c极测量电流不准确(引入干扰)的经验教训,所以笔者一直是在行输出变压器(以下简称F.B.T)接+B端测量行电流,在检修实践中未遇到过测值不准的问题,为了对之进行探讨,特做了如下实验。
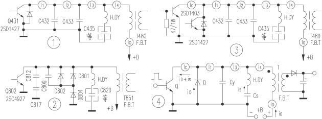
  在准备断开电路串入保险管和电流表时,首先遇到到底该断开哪里的问题。笔者是在成都牌C51-851H(83P机心)彩电上实验的,相关电路见图1。广义上讲,I1、I2、I3、I4处都可以认为是在行管c极测电流,但考虑到相关文章都说是在换行管时顺便在c极串保险管和电流表,于是首先在I1处接入0.5A保险管和电流表测量,结果与在F.B.T接+B端(I0处)测得的结果相同,均为0.17A(注:实验机显像管老化,亮度低,且+180V电源未用,改用+B,所以行电流偏小,同型号正常机为0.27~0.28A)。另分别在I2、I3、I4处测亦均为0.17A,且用指针表与数字表结果相同,这就消除了某种电流表(主要可能是数字表)易受干扰的疑问。测试中保险管一直未烧断。
  为什么没有行电流过大的结果呢?回顾相关文章,只有闵先生提到电流大一倍的现象,是不是所修机型特殊呢?于是找来文中所提的索尼KV-2565MTJ的电路图,发现该机相关电路如图2,行管Q802为2S4927,内部没有阻尼管,这正是与其他机型的不同之处。很明显,阻尼管在行逆程期间会有与行管c极本身的电流相反的电流通过,必然影响总体电流的测量结果。
为了证实这一点,笔者在实验机上模拟了外接阻尼管的行输出电路,见图3。行管用2SD1403,b、e极间并联47Ω/1W电阻,另外原管c、e极单独接入电路,以利用其内部的阻尼二极管。结果测得IC=0.33A,I1、I2、I0等仍为0.17A,大体上相差一倍,再现了闵先生遇到的问题。为什么会出现这种情况呢?请看简化的行输出电路(见图4):
  图中Q为行管,D为阻尼二极管,CY为逆程电容,H?DY为行偏转线圈,CS为S校正电容。实际电路中,CS充电至+B,由于CS>>CY,故在其放电过程中,两端电压下降不多。
  当Q导通时,向c极流入的电流有io和is。这里iO来自+B电源,贮能于T;iS是CS向H?DY放电形成行扫描正程的后半程。
  当Q截止时,iO、iS由于在电感中的惯性,均向CY充电,直至充至最高值(1000V左右),电流降为0,这是行逆程的前半程。随后CY向H?DY、T放电,至CY两端电压为0,此为行逆程后半程。在整个行逆程期间,T输出各组整流电压。
  当CY电压降为0后,H?DY中的电流转而向CY充电(同时一直为CS充电,为其补充能量),但由于D的存在,CY实际上并不会再充电,而是经D把H?DY中的自感电流泄放掉。这一时段中完成行扫描正程的前半程。
  了解了电路的工作过程之后,就可以作大致的定量分析了。
  首先可以确定的是,+B提供的电流I0(注:大写的I表示电流平均值或有效值,下同)通常称为行电流,是作为电路的贮能和直接消耗的;电路中的主要耗电是CS的放电IS(形成行扫描电流)和T在行逆程时输出的整流电流。根据能量守恒原理,二者之和应等于电源的供电电流I0(为了直观起见,这里用电流代替了能量的概念,是不严格的)。实验电路(见图3)中,IC=0.33A,I1=I0=0.17A,因此行逆程后半程流经D的电流ID=IC-I1=IC-I0=0.16A,I0与ID相差的0.01A应是F.B.T消耗的(对于正常电视,此值应更大些)。再有,由于iS和iD分别是一个振荡周期的正负半周,所以iS=iD。这正好说明,在图3和图4中,由于I0和iS同时同方向流入Q的c极,所以在c极测得的电流值比通常所说的行电流即I0大一倍并非是不正常的。此外如果按行电流大小串接保险管,自然容易熔断。
  高福永先生的实验中,行管内部是附有阻尼二极管的,故在c极测得的行电流(相当于图3、图4中的I2)虽然正常,但其值是I0、IS、ID的代数和,也就是说总电流的平均值约为I0+IS-ID≈I0(参考实验数值),这是iD与i0、iS方向相反的缘故,但正负电流不是在同一时段出现的,不能相互抵消,因此与保险丝发热熔断相关的电流有效值约等于I0+IS+ID≈3I0。高先生的实验中,保险管更容易熔断的原因就在于此。这就如同用直流电流表在50Hz市电的交流电路中测不出电流值,保险管却熔断的道理一样。因为在交流电路中,应当按有效值选用适当额定电流的保险管。
  闵先生检修中,行管不含阻尼二极管,I0=0.5A,c极串保险管1A熔断,串1.5A不断;高先生实验中,行管内含阻尼二极管,I0=0.28~0.29A,c极串1A(因为3I0)保险管仍可熔断,与笔者的上述分析结果是一致的。
  下面再谈谈高先生对于保险管的分析。
  1.关于保险管的最大电流。
  保险管熔断的原因是发热,由于其本身的热惰性,瞬间的过流是可以承受的。如按高先生分析,在50Hz、周期20ms的电路中可以承受标称值√2倍的峰值电流,那么在64μs的周期中ICM=2~4A,μs级的脉冲是不可能在0.5~1A的保险丝上产生那么快的温度反应的。如果真能如此,晶体管的瞬间过流保护就不成问题了。其实,行管c极串联保险管检修法的初衷,也只是针对行激励不足等行电流慢性增大的故障提出的。
  2.说在行管c极上因行逆程反峰电压大大超过了保险管的正常工作极限,则更不在理。
  保险管的工作电压主要是考虑在熔断时能够迅速熄灭电弧(有一定的技术标准),使电路迅速、可靠地断开,同时不应烧坏熔断器外壳(如彩电保险管的玻壳),更不得烧坏熔断器安装端子。当保险管串接在行管c极中时,其整体是悬浮在直流电压100多伏,脉冲电压最高1000V左右,自身两端电压为0V,最多只能说工作条件不符合其技术指标,可能在熔断时造成不良后果,但这并不构成其意外熔断的条件。
  最后再简单谈谈对“在行管c极串联保险管和电流表”检修的看法:
  1.在行管c极串联电流表不可取
  1)可能有不同的测量结果;2)电流表接在1000V脉冲电路中,可能产生干扰,引起电路工作状态的变化,安全性也差。
  但反过来考虑,可否在c极或者在偏转线圈回路中串入交流电流表,用来帮助判断偏转线圈局部短路的故障呢?
  2.保险管可以改串在F.B.T供电端
  对于工作较长时间才烧行管的故障,不妨在交付用户使用之前把保险管或适当阻值、功率的保险电阻焊入电路,既可以保护行管(如果是行电流慢性增大的话),又可以从故障复发时保险管是否熔断来分析故障原因。当然,这样做还要注意在行负载被切断之后,开关电源是否会失控。
  笔者希望通过以上分析,与同行交流,以弄清电路原理,解释检修实践中遇到的问题,不当之处,敬请指正。

                                             河北  石宝岩



 



1、 本站不保证以上观点正确,就算是本站原创作品,本站也不保证内容正确。
2、如果您拥有本文版权,并且不想在本站转载,请书面通知本站立即删除并且向您公开道歉! 以上可能是本站收集或者转载的文章,本站可能没有文章中的元件或产品,如果您需要类似的商品请 点这里查看商品列表!
本站协议 | 版权信息 |  关于我们 |  本站地图 |  营业执照 |  发票说明 |  付款方式 |  联系方式
深圳市宝安区西乡五壹电子商行——粤ICP备16073394号-1;地址:深圳西乡河西四坊183号;邮编:518102
E-mail:51dz$163.com($改为@);Tel:(0755)27947428
工作时间:9:30-12:00和13:30-17:30和18:30-20:30,无人接听时可以再打手机13537585389