注意:访问本站需要Cookie和JavaScript支持!请设置您的浏览器! 打开购物车 查看留言付款方式联系我们
初中电子 单片机教材一 单片机教材二
搜索上次看见的商品或文章:
商品名、介绍 文章名、内容
首页 电子入门 学单片机 免费资源 下载中心 商品列表 象棋在线 在线绘图 加盟五一 加入收藏 设为首页
本站推荐:
19. “叮咚”门铃
文章长度[] 加入时间[2008/5/30] 更新时间[2025/11/27 1:41:30] 级别[0] [评论] [收藏]
 
1. 实验任务
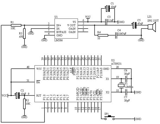
当按下开关SP1,AT89S51单片机产生“叮咚”声从P1.0端口输出到LM386,经过放大之后送入喇叭。
2. 电路原理图
图4.19.1
3. 系统板上硬件连线
(1.       把“单片机系统”区域中的P1.0端口用导线连接到“音频放大模块”区域中的SPK IN端口上;
(2.       在“音频放大模块”区域中的SPK OUT端口上接上一个8欧或者是16欧的喇叭;
(3.       把“单片机系统”区域中的P3.7/RD端口用导线连接到“独立式键盘”区域中的SP1端口上;
4. 程序设计方法
(1.       我们用单片机实定时/计数器T0来产生700HZ和500HZ的频率,根据定时/计数器T0,我们取定时250us,因此,700HZ的频率要经过3次250us的定时,而500HZ的频率要经过4次250us的定时。
(2.       在设计过程,只有当按下SP1之后,才启动T0开始工作,当T0工作完毕,回到最初状态。
(3.       “叮”和“咚”声音各占用0.5秒,因此定时/计数器T0要完成0.5秒的定时,对于以250us为基准定时2000次才可以。
6. 汇编源程序
T5HZ                  EQU 30H
T7HZ                  EQU 31H
T05SA                EQU 32H
T05SB                 EQU 33H
FLAG                 BIT 00H
STOP                  BIT 01H
SP1                      BIT P3.7
                            ORG 00H
                            LJMP START
                            ORG 0BH
                            LJMP INT_T0
START:               MOV TMOD,#02H
                            MOV TH0,#06H
                            MOV TL0,#06H
                            SETB ET0
                            SETB EA
NSP:                   JB SP1,NSP
                            LCALL DELY10MS
                            JB SP1,NSP
                            SETB TR0
                            MOV T5HZ,#00H
                            MOV T7HZ,#00H
                            MOV T05SA,#00H
                            MOV T05SB,#00H
                            CLR FLAG
                            CLR STOP                  
                            JNB STOP,$
                            LJMP NSP
DELY10MS:       MOV R6,#20
D1:                      MOV R7,#248
                            DJNZ R7,$
                            DJNZ R6,D1
                            RET
INT_T0:             INC T05SA
                            MOV A,T05SA
                            CJNE A,#100,NEXT
                            MOV T05SA,#00H
                            INC T05SB
                            MOV A,T05SB
                            CJNE A,#20,NEXT
                            MOV T05SB,#00H
                            JB FLAG,STP
                            CPL FLAG
                            LJMP NEXT
STP:                    SETB STOP
                            CLR TR0
                            LJMP DONE
NEXT:                JB FLAG,S5HZ
                            INC T7HZ
                            MOV A,T7HZ
                            CJNE A,#03H,DONE
                            MOV T7HZ,#00H
                            CPL P1.0
                            LJMP DONE
S5HZ:                 INC T5HZ
                            MOV A,T5HZ
                            CJNE A,#04H,DONE
                            MOV T5HZ,#00H
                            CPL P1.0
                            LJMP DONE
DONE:                RETI
                            END
7. C语言源程序
#include <AT89X51.H>
unsigned char t5hz;
unsigned char t7hz;
unsigned int tcnt;
bit stop;
bit flag;
void main(void)
{
  unsigned char i,j;
  TMOD=0x02;
  TH0=0x06;
  TL0=0x06;
  ET0=1;
  EA=1;
  while(1)
    {
      if(P3_7==0)
        {
          for(i=10;i>0;i--)
          for(j=248;j>0;j--);
          if(P3_7==0)
            {
              t5hz=0;
              t7hz=0;
              tcnt=0;
              flag=0;
              stop=0;
              TR0=1;
              while(stop==0);
            }
        }
    }
}
void t0(void) interrupt 1 using 0
{
  tcnt++;
  if(tcnt==2000)
    {
      tcnt=0;
      if(flag==0)
        {
          flag=~flag;
        }
        else
          {
            stop=1;
            TR0=0;
          }
    }
  if(flag==0)
    {
      t7hz++;
      if(t7hz==3)
        {
          t7hz=0;
          P1_0=~P1_0;
        }
    }
    else
      {
        t5hz++;
        if(t5hz==4)
          {
            t5hz=0;
            P1_0=~P1_0;
          }
      }
}
1、 本站不保证以上观点正确,就算是本站原创作品,本站也不保证内容正确。
2、如果您拥有本文版权,并且不想在本站转载,请书面通知本站立即删除并且向您公开道歉! 以上可能是本站收集或者转载的文章,本站可能没有文章中的元件或产品,如果您需要类似的商品请 点这里查看商品列表!
本站协议 | 版权信息 |  关于我们 |  本站地图 |  营业执照 |  发票说明 |  付款方式 |  联系方式
深圳市宝安区西乡五壹电子商行——粤ICP备16073394号-1;地址:深圳西乡河西四坊183号;邮编:518102
E-mail:51dz$163.com($改为@);Tel:(0755)27947428
工作时间:9:30-12:00和13:30-17:30和18:30-20:30,无人接听时可以再打手机13537585389