| 注意:访问本站需要Cookie和JavaScript支持!请设置您的浏览器! • 打开购物车 • 查看留言 • 付款方式 • 联系我们 |
![]() |
| 首页 | 电子入门 | 学单片机 | 免费资源 | 下载中心 | 商品列表 | 象棋在线 | 在线绘图 | 加盟五一 | 加入收藏 | 设为首页 |
| 选择分类:当前分类——学单片机 相关联或者相类似的文章: 三十分钟一个小时学会单片机(9045) 什么是单片机?单片机有什么用? (8723) 如何用STC板将代码烧录进IC(8681) 怎样安装AT51编程板的USB转串口软件?(8206) 送给单片机爱好者——LED在线编码器(1814) 送给单片机爱好者——LED点阵在线编码器(1544) 单片机系统中的汉字显示(1492) 带语音报数功能的抢答器(1489) 用VB进行串口实时数据采集(1347) 用AT89C2051设计超声波测距仪(1171) 小小电子闹钟 生活学习良伴(1165) DS1820测温原理(1129) 几句代码实现控制摄像头(转)(1117) STC单片机选型指南(1111) 自制PIC单片机编程器(1105) USB转串口芯片CH340(1010) 快速学习单片机之黄金机会!(1010) 告戒购单片机开发实验板初学者(970) 新款实用旋转LED显示屏A(890) 使用市售 USB转RS232串口与PLC通信的测试报告 (881) 首页 前页 后页 尾页 本站推荐: | 29. 两点间温度控制 1. 实验任务
用可调电阻调节电压值作为模拟温度的输入量,当温度低于30℃时,发出长嘀报警声和光报警,当温度高于60℃时,发出短嘀报警声和光报警。测量的温度范围在0-99℃。
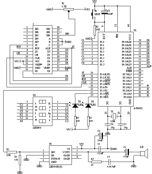
2. 电路原理图
![]() 图4.29.1
3. 系统板上硬件连线
a) 把“单片机系统”区域中的P1.0-P1.7与“动态数码显示”区域中的ABCDEFGH端口用8芯排线连接。
b) 把“单片机系统”区域中的P2.0-P2.7与“动态数码显示”区域中的S1S2S3S4S5S6S7S8端口用8芯排线连接。
c) 把“单片机系统”区域中的P3.0与“模数转换模块”区域中的ST端子用导线相连接。
d) 把“单片机系统”区域中的P3.1与“模数转换模块”区域中的OE端子用导线相连接。
e) 把“单片机系统”区域中的P3.2与“模数转换模块”区域中的EOC端子用导线相连接。
f) 把“单片机系统”区域中的P3.3与“模数转换模块”区域中的CLK端子用导线相连接。
g) 把“模数转换模块”区域中的A2A1A0端子用导线连接到“电源模块”区域中的GND端子上。
h) 把“模数转换模块”区域中的IN0端子用导线连接到“三路可调电压模块”区域中的VR1端子上。
i) 把“单片机系统”区域中的P0.0-P0.7用8芯排线连接到“模数转换模块”区域中的D0D1D2D3D4D5D6D7端子上。
j) 把“单片机系统”区域中的P3.6、P3.7用导线分别连接到“八路发光二极管指示模块”区域中的L1、L2上。
k) 把“单片机系统”区域中的P3.5用导线连接到“音频放大模块”区域中的SPK IN端口上。
l) 把“音频放大模块“区域中的SPK OUT插入音频喇叭。
4. 汇编源程序
(略)
5.C语言源程序
#include <AT89X52.H>
unsigned char code dispbitcode[]={0xfe,0xfd,0xfb,0xf7,
0xef,0xdf,0xbf,0x7f};
unsigned char code dispcode[]={0x3f,0x06,0x5b,0x4f,0x66,
0x6d,0x7d,0x07,0x7f,0x6f,0x00};
unsigned char dispbuf[8]={10,10,10,10,10,10,0,0};
unsigned char dispcount;
unsigned char getdata;
unsigned int temp;
unsigned char i;
sbit ST=P3^0;
sbit OE=P3^1;
sbit EOC=P3^2;
sbit CLK=P3^3;
sbit LED1=P3^6;
sbit LED2=P3^7;
sbit SPK=P3^5;
bit lowflag;
bit highflag;
unsigned int cnta;
unsigned int cntb;
bit alarmflag;
void main(void)
{
ST=0;
OE=0;
TMOD=0x12;
TH0=0x216;
TL0=0x216;
TH1=(65536-500)/256;
TL1=(65536-500)%256;
TR1=1;
TR0=1;
ET0=1;
ET1=1;
EA=1;
ST=1;
ST=0;
while(1)
{
if((lowflag==1) &&(highflag==0))
{
LED1=0;
LED2=1;
}
else if((highflag==1) && (lowflag==0))
{
LED1=1;
LED2=0;
}
else
{
LED1=1;
LED2=1;
}
}
}
void t0(void) interrupt 1 using 0
{
CLK=~CLK;
}
void t1(void) interrupt 3 using 0
{
TH1=(65536-500)/256;
TL1=(65536-500)%256;
if(EOC==1)
{
OE=1;
getdata=P0;
OE=0;
temp=getdata*25;
temp=temp/64;
i=6;
dispbuf[0]=10;
dispbuf[1]=10;
dispbuf[2]=10;
dispbuf[3]=10;
dispbuf[4]=10;
dispbuf[5]=10;
dispbuf[6]=0;
dispbuf[7]=0;
while(temp/10)
{
dispbuf[i]=temp%10;
temp=temp/10;
i++;
}
dispbuf[i]=temp;
if(getdata<77)
{
lowflag=1;
highflag=0;
}
else if(getdata>153)
{
lowflag=0;
highflag=1;
}
else
{
lowflag=0;
highflag=0;
}
ST=1;
ST=0;
}
P1=dispcode[dispbuf[dispcount]];
P2=dispbitcode[dispcount];
dispcount++;
if(dispcount==8)
{
dispcount=0;
}
if((lowflag==1) && (highflag==0))
{
cnta++;
if(cnta==800)
{
cnta=0;
alarmflag=~alarmflag;
}
if(alarmflag==1)
{
SPK=~SPK;
}
}
else if((lowflag==0) && (highflag==1))
{
cntb++;
if(cntb==400)
{
cntb=0;
alarmflag=~alarmflag;
}
if(alarmflag==1)
{
SPK=~SPK;
}
}
else
{
alarmflag=0;
cnta=0;
cntb=0;
} 1、 本站不保证以上观点正确,就算是本站原创作品,本站也不保证内容正确。 2、如果您拥有本文版权,并且不想在本站转载,请书面通知本站立即删除并且向您公开道歉! |
|
本站协议 |
版权信息 |
关于我们 |
本站地图 |
营业执照 |
发票说明 |
付款方式 |
联系方式
深圳市宝安区西乡五壹电子商行——粤ICP备16073394号-1;地址:深圳西乡河西四坊183号;邮编:518102 E-mail:51dz$163.com($改为@);Tel:(0755)27947428 工作时间:9:30-12:00和13:30-17:30和18:30-20:30,无人接听时可以再打手机13537585389 |